Application Background
Electrical equipment, such as switch contacts, cable joints, busbar joints, and various contacts and connection points of generators, transformers and motor junction box joints, etc., after applied with current, the temperature of the equipment will change. The heat is proportional to the square of the incoming current.
Temperature of its relevant parts is often increased when high-voltage equipment is overloaded or the contacts are oxidized. Overheating may cause insulation ageing or even burnt, which brings short-circuit faults and major economic losses.
Therefore, on-line monitoring contact’ temperature is very important. Once it exceeds a certain set value or three-phase temperature is unbalanced, send local and remote alarm signals, reminding the production and maintenance personnel to find the precursor of the fault in time, which is essential for high-voltage power equipment and power system safe and stable operation.
The traditional active wireless temperature measurement products are large in size, short in life, and easy to leak and explode under high temperature. Then it is very meaningful to use tiny passive wireless temperature measurement products to realize on-line temperature measurement and fault warning.
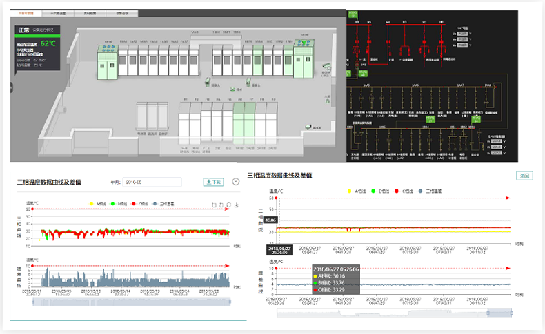
Electrical Equipment Temperature Online Monitoring System
System Architecture
Hardware products
Technical features
Software Products
Technical Comparison
Passive Wireless Temperature Measurement Product Advantages
Service Life
Why use 433mhz instead of 2.4G band?
Construction Workload
in the dynamic and static contact of high voltage handcart circuit breaker
high voltage capacitor connector in Factory
Cable connector in low voltage switch cabinet
Busbar contact in low voltage switchgear
The products are upgrading
Smaller size
Din rail installation,Touch screen
Software Upgrade
Leave a Message
Your email address will not be published.
Posts
Products



